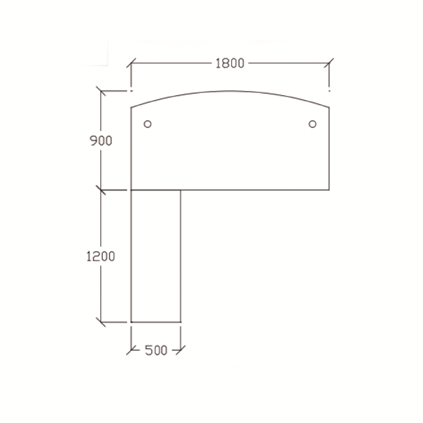
OT 28

Size : L1800 x W2100mm

Category: