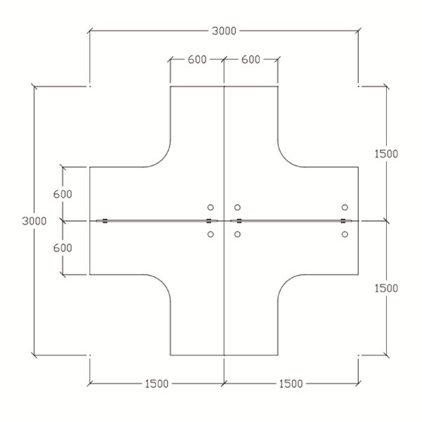
OT 3

Size : L3000 x W3000mm

Category: